Verdetto Samsung Galaxy A17 4G
È difficile trovare uno smartphone con schermo AMOLED più economico del Samsung Galaxy A17 4G: Il telefono si paga meno di 200 euro. Ma deve anche rinunciare alla funzionalità 5G e accontentarsi di 4 GB di RAM, almeno per il modello base. Anche la durata della batteria è piuttosto mediocre.
Non vorrà eseguire applicazioni troppo complesse sul SoC relativamente lento. Tuttavia, la maggior parte delle attività quotidiane viene eseguita senza problemi.
Anche il sistema flessibile di fotocamere con grandangolo e macro è insolito, anche se hanno una risoluzione molto bassa.
Dovrà convivere con lo sfarfallio PWM sullo schermo e non dovrà pretendere troppo dalla velocità del Wi-Fi.
Nel complesso, tuttavia, il Samsung Galaxy A17 4G è uno smartphone economico insolitamente ben equipaggiato che merita sicuramente un'occhiata.
Pro
Contro
Prezzo e disponibilità
Su amazon.com pagherà circa 230 dollari per lo smartphone.
Sommario
- Verdetto Samsung Galaxy A17 4G
- Specifiche
- Alloggiamento e caratteristiche - plastica e Gorilla Glass
- Comunicazione e funzionamento - Telefono LTE con sensore di impronte digitali
- Software e sostenibilità - 6 anni di aggiornamenti?
- Telecamere - insolitamente flessibili
- Display - AMOLED luminoso a 90 Hz
- Prestazioni, emissioni e durata della batteria - ragionevolmente veloce
- Valutazione complessiva di Notebookcheck
- Possibili alternative a confronto
Specifiche
I nostri Top 10
» Top 10 Portatili Multimedia
» Top 10 Portatili Gaming
» Top 10 Portatili Gaming Leggeri
» Top 10 Portatili da Ufficio e Business economici
» Top 10 Portatili Premium da Ufficio/Business
» Top 10 Portatili sotto i 300 Euro
» Top 10 Portatili sotto i 500 Euro
» Top 10 dei Portatili Workstation
» Top 10 Subnotebooks
» Top 10 Ultrabooks
» Top 10 Convertibili
» Top 10 Tablets
» Top 10 Tablets Windows
» Top 10 Smartphones
Alloggiamento e caratteristiche - plastica e Gorilla Glass
Il telaio di Samsung Galaxy A17 4G è stato ridisegnato, ridotto e reso più leggero di 10 grammi rispetto al suo predecessore.
L'intero involucro è realizzato in plastica, ma sembra robusto e ha una finitura pulita. Il retro riflette leggermente la luce ambientale, ma il design complessivo è piuttosto semplice. Le fotocamere sono riunite in un modulo ovale. Lo schermo è protetto da Gorilla Glass Victus, una rarità in questa fascia di prezzo.
Il nostro dispositivo di prova è dotato di 4 GB di RAM e 128 GB di memoria di massa. Esiste anche un modello con 8 GB di RAM e 256 GB di memoria di massa; la differenza di prezzo è di circa 30 euro.
Ci piace il fatto che sia disponibile l'NFC, ad esempio per i servizi di pagamento mobile.
Non è possibile utilizzare una eSIM, ma sono disponibili due slot nano-SIM. Uno di questi può essere utilizzato anche per una scheda microSD, che espande la memoria fino a 2 TB. Nel nostro test, il lettore ha funzionato in modo ragionevolmente rapido e con velocità di trasferimento abbastanza stabili.
| SD Card Reader - average JPG Copy Test (av. of 3 runs) | |
| Samsung Galaxy A17 5G (Angelbird V60) | |
| Samsung Galaxy A16 4G (Angelbird V60) | |
| Samsung Galaxy A17 4G | |
| Xiaomi Redmi 15C 5G (Angelbird V60) | |
| Media della classe Smartphone (5.72 - 58.9, n=69, ultimi 2 anni) | |
| Motorola Moto G15 (Angelbird V60) | |
Cross Platform Disk Test (CPDT)
Comunicazione e funzionamento - Telefono LTE con sensore di impronte digitali
Deve fare a meno delle comunicazioni mobili 5G e non ci sono nemmeno troppe bande di frequenza disponibili nella rete LTE.
La ricezione non è sempre ottimale in vari controlli a campione durante il nostro test, ma raramente fallisce completamente.
Per quanto riguarda il Wi-Fi, il telefono può utilizzare solo lo standard WiFi 5 al massimo. Ciò significa che le velocità di trasmissione dati di circa 300 MBit/s vengono raggiunte in modo abbastanza stabile.
Lo schermo può visualizzare fino a 90 fotogrammi al secondo e quindi reagisce abbastanza rapidamente agli input. Il touchscreen può essere azionato con precisione.
Un sensore di impronte digitali è integrato nel pulsante di standby sul lato destro dell'involucro, che sblocca il telefono in modo affidabile e con poco tempo di attesa. È possibile anche lo sblocco biometrico tramite riconoscimento facciale. Funziona anche in modo abbastanza rapido e preciso in presenza di una buona luce ambientale.
| Networking | |
| Samsung Galaxy A17 4G | |
| iperf3 transmit AXE11000 | |
| iperf3 receive AXE11000 | |
| Samsung Galaxy A17 5G | |
| iperf3 transmit AXE11000 | |
| iperf3 receive AXE11000 | |
| Xiaomi Redmi 15C 5G | |
| iperf3 transmit AXE11000 | |
| iperf3 receive AXE11000 | |
| Samsung Galaxy A16 4G | |
| iperf3 transmit AXE11000 | |
| iperf3 receive AXE11000 | |
| Motorola Moto G15 | |
| iperf3 transmit AXE11000 | |
| iperf3 receive AXE11000 | |
| Media 802.11 a/b/g/n/ac | |
| iperf3 transmit AXE11000 | |
| iperf3 receive AXE11000 | |
| Media della classe Smartphone | |
| iperf3 transmit AXE11000 | |
| iperf3 receive AXE11000 | |
Software e sostenibilità - 6 anni di aggiornamenti?
Android 15 è preinstallato sul dispositivo, con sopra la OneUI di Samsung, che cambia il sistema operativo in modo piuttosto significativo.
Il Galaxy A17 4G riceverà aggiornamenti fino al 2031, ossia per sei anni dal lancio, e per questo periodo saranno disponibili nuove versioni del sistema operativo. Tuttavia, Samsung limita questo aspetto sul suo sito web con l'aggiunta "fino a" e altre clausole legali. Quindi non si può fare pieno affidamento su questa grande promessa.
Galaxy A17 4G è confezionato in carta. I materiali riciclati costituiscono solo l'1,4% del prodotto. Almeno c'è un database di auto-riparazione https://samsung.sparepartservice.shop/eshopmvc/countryselect?g7=1284980N&goto=index?g7%3D1284980N%26&checksum=3d7de8c4422afb1b9bd970b4d27ebf65 in cui Samsung offre pezzi di ricambio.
Telecamere - insolitamente flessibili
Non è cambiato nulla nelle fotocamere rispetto al Galaxy A16 4Gma era già molto ben equipaggiato: Oltre alla fotocamera principale da 50 megapixel, ci sono anche un obiettivo grandangolare e un obiettivo macro. Entrambi hanno una risoluzione bassa, ma il sistema di fotocamere è comunque abbastanza flessibile.
La fotocamera principale scatta foto passabili che mostrano colori freddi. I dettagli non sono sempre facilmente riconoscibili. Anche l'immagine circostante appare un po' sfocata in alcuni punti. In condizioni di scarsa illuminazione e forti contrasti, la luminosità è abbastanza buona e si possono ancora distinguere i dettagli nella maggior parte delle aree.
I video possono essere registrati a un massimo di 1080p e 30 fps. Il livello di dettaglio è decente, ma l'autofocus a volte è troppo lento.
L'immagine della fotocamera grandangolare appare piuttosto grossolana. La fotocamera frontale scatta selfie decenti con un buon livello di dettaglio.
Confronto immagini
Scegliete una scena e navigate nella prima immagine. Un click cambia lo zoom. Un click sulla immagine zoommata apre quella originale in una nuova finestra. La prima immagine mostra la fotografia ridimensionata del dispositivo di test.
Hauptkamera PflanzeHauptkamera UmgebungHauptkamera LowLightWeitwinkel


Display - AMOLED luminoso a 90 Hz
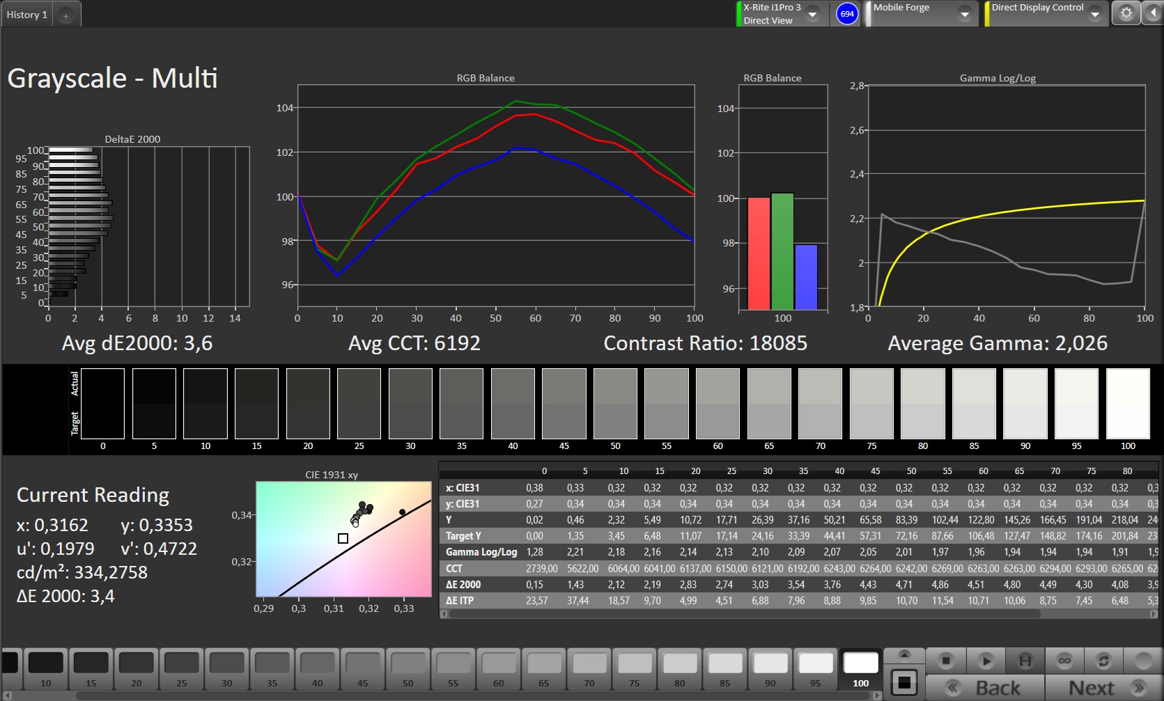
Lo schermo AMOLED di Galaxy A17 è una rarità nella fascia di prezzo inferiore a 200 euro. Lo schermo è abbastanza luminoso, con un massimo di 687 cd/m².
Anche la riproduzione dei colori è piacevole, con solo lievi deviazioni appena visibili a occhio nudo.
L'immagine appare abbastanza nitida e i colori sono vividi.
Tuttavia, bisogna anche accettare lo sfarfallio PWM a bassi livelli di luminosità.
| |||||||||||||||||||||||||
Distribuzione della luminosità: 93 %
Al centro con la batteria: 687 cd/m²
Contrasto: ∞:1 (Nero: 0 cd/m²)
ΔE ColorChecker Calman: 3.45 | ∀{0.5-29.43 Ø4.78}
ΔE Greyscale Calman: 3.6 | ∀{0.09-98 Ø5}
99.8% sRGB (Calman 2D)
Gamma: 2.026
CCT: 6192 K
| Samsung Galaxy A17 4G AMOLED, 2340x1080, 6.7" | Samsung Galaxy A17 5G AMOLED, 2340x1080, 6.7" | Xiaomi Redmi 15C 5G IPS, 1600x720, 6.9" | Samsung Galaxy A16 4G Super AMOLED, 2340x1080, 6.7" | Motorola Moto G15 IPS, 2400x1080, 6.7" | |
|---|---|---|---|---|---|
| Screen | 5% | 1% | 8% | 5% | |
| Brightness middle (cd/m²) | 687 | 691 1% | 591 -14% | 729 6% | 468 -32% |
| Brightness (cd/m²) | 666 | 672 1% | 557 -16% | 716 8% | 452 -32% |
| Brightness Distribution (%) | 93 | 92 -1% | 91 -2% | 95 2% | 86 -8% |
| Black Level * (cd/m²) | 0.51 | 0.3 | |||
| Colorchecker dE 2000 * | 3.45 | 3.15 9% | 3.25 6% | 3.14 9% | 2.07 40% |
| Colorchecker dE 2000 max. * | 5.49 | 4.41 20% | 6.77 -23% | 4.24 23% | 6.38 -16% |
| Greyscale dE 2000 * | 3.6 | 3.6 -0% | 1.6 56% | 3.6 -0% | 0.8 78% |
| Gamma | 2.026 109% | 2.041 108% | 2.299 96% | 2.057 107% | 2.202 100% |
| CCT | 6192 105% | 6507 100% | 6967 93% | 6441 101% | 6607 98% |
| Contrast (:1) | 1159 | 1560 |
* ... Meglio usare valori piccoli
Sfarfallio dello schermo / PWM (Pulse-Width Modulation)
| flickering dello schermo / PWM rilevato | 367 Hz Amplitude: 16 % | ||
Il display sfarfalla a 367 Hz (Probabilmente a causa dell'uso di PWM) . La frequenza di 367 Hz è relativamente elevata, quindi la maggioranza degli utenti sensibili al PWM non dovrebbe notare alcun flickering. Tuttavia, è stato segnalato che alcuni utenti sono sensibili al PWM a 500 Hz ed oltre, quindi prestate attenzione. In confronto: 53 % di tutti i dispositivi testati non utilizza PWM per ridurre la luminosita' del display. Se è rilevato PWM, una media di 8121 (minimo: 5 - massimo: 343500) Hz è stata rilevata. | |||
Tempi di risposta del Display
| ↔ Tempi di risposta dal Nero al Bianco | ||
|---|---|---|
| 2.5 ms ... aumenta ↗ e diminuisce ↘ combinato | ↗ 1.2 ms Incremento | |
| ↘ 1.3 ms Calo | ||
| Lo schermo ha mostrato valori di risposta molto veloci nei nostri tests ed è molto adatto per i gaming veloce. In confronto, tutti i dispositivi di test variano da 0.1 (minimo) a 240 (massimo) ms. » 12 % di tutti i dispositivi è migliore. Questo significa che i tempi di risposta rilevati sono migliori rispettto alla media di tutti i dispositivi testati (20.2 ms). | ||
| ↔ Tempo di risposta dal 50% Grigio all'80% Grigio | ||
| 2 ms ... aumenta ↗ e diminuisce ↘ combinato | ↗ 1 ms Incremento | |
| ↘ 1 ms Calo | ||
| Lo schermo ha mostrato valori di risposta molto veloci nei nostri tests ed è molto adatto per i gaming veloce. In confronto, tutti i dispositivi di test variano da 0.165 (minimo) a 636 (massimo) ms. » 8 % di tutti i dispositivi è migliore. Questo significa che i tempi di risposta rilevati sono migliori rispettto alla media di tutti i dispositivi testati (31.6 ms). | ||
Prestazioni, emissioni e durata della batteria - ragionevolmente veloce
Il MediaTek Helio G99 è un SoC molto popolare in questa categoria di prezzo. Di solito consente un funzionamento fluido, ma i tempi di attesa possono verificarsi in situazioni più impegnative.
Le prestazioni sono significativamente inferiori al modello 5G di Galaxy A17, ma per il resto sono alla pari con i modelli di prezzo simile. La memoria UFS 2.2 funziona abbastanza rapidamente, ma in realtà è più lenta rispetto al predecessore, il che si può spiegare solo con un controller di memoria diverso o con il throttling del software.
Il telefono si riscalda fino a un massimo di 44,4 °C sotto carico prolungato, il che è notevole ma non critico. Inoltre, il telefono subisce un throttling minimo, nella migliore delle ipotesi, dopo lunghi periodi di utilizzo.
L'altoparlante singolo sul bordo inferiore ha un suono migliore rispetto al suo predecessore, ancora buono al massimo volume e non più così pesante sugli alti. Quindi può sicuramente ascoltare musica pop o colonne sonore di film. Per i dispositivi audio esterni sono disponibili connessioni USB o Bluetooth. Tuttavia, i codec audio per la trasmissione wireless sono relativamente pochi.
La batteria da 5.000 mAh è la stessa del modello Galaxy A16 4G e i tempi di esecuzione sono solo leggermente diversi. Il Samsung Galaxy A17 4G dura circa 13 ore nel nostro test della batteria WiFi, rivelando una delle sue debolezze rispetto ad altri telefoni.
| Jetstream 2 - 2.0 Total Score | |
| Media della classe Smartphone (23.8 - 387, n=153, ultimi 2 anni) | |
| Samsung Galaxy A17 5G | |
| Xiaomi Redmi 15C 5G | |
| Samsung Galaxy A17 4G | |
| Media Mediatek Helio G99 (46.9 - 90.3, n=13) | |
| Samsung Galaxy A17 4G | Samsung Galaxy A17 5G | Xiaomi Redmi 15C 5G | Samsung Galaxy A16 4G | Motorola Moto G15 | Media 128 GB eMMC Flash | Media della classe Smartphone | |
|---|---|---|---|---|---|---|---|
| AndroBench 3-5 | -1% | 181% | 179% | -3% | -16% | 476% | |
| Sequential Read 256KB (MB/s) | 518.6 | 528.2 2% | 509.9 -2% | 942.8 82% | 287.7 -45% | 300 ? -42% | 2223 ? 329% |
| Sequential Write 256KB (MB/s) | 172.6 | 170.7 -1% | 512.1 197% | 710.8 312% | 228.5 32% | 195.1 ? 13% | 1838 ? 965% |
| Random Read 4KB (MB/s) | 141.1 | 134.7 -5% | 196.3 39% | 208.8 48% | 65.2 -54% | 85.9 ? -39% | 295 ? 109% |
| Random Write 4KB (MB/s) | 55.9 | 56.4 1% | 329 489% | 208.1 272% | 87.4 56% | 58.1 ? 4% | 335 ? 499% |
(±) La temperatura massima sul lato superiore è di 44.4 °C / 112 F, rispetto alla media di 35.2 °C / 95 F, che varia da 21.9 a 247 °C per questa classe Smartphone.
(±) Il lato inferiore si riscalda fino ad un massimo di 44.9 °C / 113 F, rispetto alla media di 34 °C / 93 F
(+) In idle, la temperatura media del lato superiore è di 25.3 °C / 78 F, rispetto alla media deld ispositivo di 32.9 °C / 91 F.
test di stress 3DMark
| 3DMark | |
| Wild Life Stress Test Stability | |
| Samsung Galaxy A17 4G | |
| Motorola Moto G15 | |
| Samsung Galaxy A17 5G | |
| Xiaomi Redmi 15C 5G | |
| Samsung Galaxy A16 4G | |
| Wild Life Extreme Stress Test | |
| Motorola Moto G15 | |
| Xiaomi Redmi 15C 5G | |
| Samsung Galaxy A17 4G | |
| Samsung Galaxy A16 4G | |
| Samsung Galaxy A17 5G | |
Samsung Galaxy A17 4G analisi audio
(+) | gli altoparlanti sono relativamente potenti (89 dB)
Bassi 100 - 315 Hz
(-) | quasi nessun basso - in media 24% inferiori alla media
(±) | la linearità dei bassi è media (12.9% delta rispetto alla precedente frequenza)
Medi 400 - 2000 Hz
(±) | medi elevati - circa 6.1% superiore alla media
(+) | medi lineari (5.3% delta rispetto alla precedente frequenza)
Alti 2 - 16 kHz
(±) | alti elevati - circa 6.5% superiori alla media
(±) | la linearità degli alti è media (9% delta rispetto alla precedente frequenza)
Nel complesso 100 - 16.000 Hz
(±) | la linearità complessiva del suono è media (21.9% di differenza rispetto alla media
Rispetto alla stessa classe
» 44% di tutti i dispositivi testati in questa classe è stato migliore, 8% simile, 48% peggiore
» Il migliore ha avuto un delta di 11%, medio di 35%, peggiore di 134%
Rispetto a tutti i dispositivi testati
» 62% di tutti i dispositivi testati in questa classe è stato migliore, 7% similare, 31% peggiore
» Il migliore ha avuto un delta di 4%, medio di 24%, peggiore di 134%
Motorola Moto G15 analisi audio
(+) | gli altoparlanti sono relativamente potenti (84.3 dB)
Bassi 100 - 315 Hz
(-) | quasi nessun basso - in media 23.7% inferiori alla media
(±) | la linearità dei bassi è media (11.9% delta rispetto alla precedente frequenza)
Medi 400 - 2000 Hz
(±) | medi elevati - circa 5.3% superiore alla media
(+) | medi lineari (5.8% delta rispetto alla precedente frequenza)
Alti 2 - 16 kHz
(+) | Alti bilanciati - appena 3.3% dalla media
(+) | alti lineari (5.9% delta rispetto alla precedente frequenza)
Nel complesso 100 - 16.000 Hz
(±) | la linearità complessiva del suono è media (19.9% di differenza rispetto alla media
Rispetto alla stessa classe
» 32% di tutti i dispositivi testati in questa classe è stato migliore, 8% simile, 61% peggiore
» Il migliore ha avuto un delta di 11%, medio di 35%, peggiore di 134%
Rispetto a tutti i dispositivi testati
» 50% di tutti i dispositivi testati in questa classe è stato migliore, 7% similare, 43% peggiore
» Il migliore ha avuto un delta di 4%, medio di 24%, peggiore di 134%
| Samsung Galaxy A17 4G 5000 mAh | Samsung Galaxy A17 5G 5000 mAh | Xiaomi Redmi 15C 5G 6000 mAh | Samsung Galaxy A16 4G 5000 mAh | Motorola Moto G15 5200 mAh | |
|---|---|---|---|---|---|
| Autonomia della batteria | 2% | 43% | 16% | 31% | |
| WiFi v1.3 (h) | 13 | 13.2 2% | 18.6 43% | 15.1 16% | 17 31% |
| Reader / Idle (h) | 33.7 | 27.2 | 29.8 | ||
| H.264 (h) | 17.9 | 23.7 | 19.8 | ||
| Load (h) | 4.5 | 5.8 | 5.5 |
Valutazione complessiva di Notebookcheck
Il Samsung Galaxy A17 4G è molto ben equipaggiato per la sua fascia di prezzo.
Gli unici punti deboli sono i tempi di esecuzione e la promessa di aggiornamento traballante.

Samsung Galaxy A17 4G
- 10/24/2025 v8
Florian Schmitt
Possibili alternative a confronto
Immagine | Modello | Prezzo | Peso | Drive | Schermo |
|---|---|---|---|---|---|
| Samsung Galaxy A17 4G Mediatek Helio G99 ⎘ ARM Mali-G57 MP2 ⎘ 4 GB Memoria, 128 GB eMMC | Amazon: $204.99 Prezzo di listino: 185€ | 190 gr | 128 GB eMMC Flash | 6.70" 2340x1080 385 PPI AMOLED | |
| Samsung Galaxy A17 5G Samsung Exynos 1330 ⎘ ARM Mali-G68 MP2 ⎘ 4 GB Memoria, 128 GB eMMC | Amazon: $212.70 Prezzo di listino: 209€ | 192 gr | 128 GB eMMC Flash | 6.70" 2340x1080 385 PPI AMOLED | |
| Xiaomi Redmi 15C 5G Mediatek Dimensity 6300 ⎘ ARM Mali-G57 MP2 ⎘ 4 GB Memoria, 128 GB UFS 2.1 | Amazon: 1. $7.99 Suttkue for Xiaomi Redmi 15C... 2. $3.59 Mr.Shield Screen Protector c... 3. $8.57 GANGANPRO 2 Pack Privacy Scr... Prezzo di listino: 170€ | 211 gr | 128 GB UFS 2.2 Flash | 6.90" 1600x720 254 PPI IPS | |
| Samsung Galaxy A16 4G Mediatek Helio G99 ⎘ ARM Mali-G57 MP2 ⎘ 4 GB Memoria, 128 GB UFS 2.1 | Amazon: $125.67 Prezzo di listino: 179€ | 200 gr | 128 GB UFS 2.2 Flash | 6.70" 2340x1080 385 PPI Super AMOLED | |
| Motorola Moto G15 Mediatek Helio G81 ⎘ ARM Mali-G52 MP2 ⎘ 4 GB Memoria, 128 GB eMMC | Amazon: $133.70 Prezzo di listino: 150€ | 190 gr | 128 GB eMMC Flash | 6.72" 2400x1080 392 PPI IPS |
Transparency
La selezione dei dispositivi da recensire viene effettuata dalla nostra redazione. Il campione di prova è stato fornito all'autore come prestito dal produttore o dal rivenditore ai fini di questa recensione. L'istituto di credito non ha avuto alcuna influenza su questa recensione, né il produttore ne ha ricevuto una copia prima della pubblicazione. Non vi era alcun obbligo di pubblicare questa recensione. In quanto società mediatica indipendente, Notebookcheck non è soggetta all'autorità di produttori, rivenditori o editori.
Ecco come Notebookcheck esegue i test
Ogni anno, Notebookcheck esamina in modo indipendente centinaia di laptop e smartphone utilizzando procedure standardizzate per garantire che tutti i risultati siano comparabili. Da circa 20 anni sviluppiamo continuamente i nostri metodi di prova e nel frattempo stabiliamo gli standard di settore. Nei nostri laboratori di prova, tecnici ed editori esperti utilizzano apparecchiature di misurazione di alta qualità. Questi test comportano un processo di validazione in più fasi. Il nostro complesso sistema di valutazione si basa su centinaia di misurazioni e parametri di riferimento ben fondati, che mantengono l'obiettività.





















