Recensione Completa del Portatile Lenovo IdeaPad Y900 17ISK

La serie gaming Y Lenovo ha sempre ricompreso portatili mainstream abbastanza economici. Pertanto non ha mai attratto gli appassionati estremi di gaming come le serie MSI GT o Asus ROG dove sono più comuni soluzioni più grandi e veloci.
La situazione dovrebbe cambiare con il dispositivo da $2500 USD Ideapad Y900 di Lenovo con uno chassis completamente nuovo ed una veloce GTX 980M. Da non confondere con l'IdeaCentre Y900, l'IdeaPad Y900 è stato presentato al CES 2016 e non è stato immediata mente disponibile, quindi è arrivato in ritardo ora che ci sono portatili che montano la Pascal. L'Y900 può essere considerato una supermodifica dell'Y700 con più features incluso Turbo Mode, nuove opzioni di illuminazione della tastiera, RAID 0, e Thunderbolt 3. E' abbastanza per attirare clienti rispetto ai soliti MSI GT72, Asus G752, o Alienware 17?
Guardate la nostra recensione sui portatili gaming Lenovo Y esistenti per capire il senso di questa serie e come l'Y900 si rapporta con i predecessori.
I nostri Top 10
» Top 10 Portatili Multimedia
» Top 10 Portatili Gaming
» Top 10 Portatili Gaming Leggeri
» Top 10 Portatili da Ufficio e Business economici
» Top 10 Portatili Premium da Ufficio/Business
» Top 10 Portatili sotto i 300 Euro
» Top 10 Portatili sotto i 500 Euro
» Top 10 dei Portatili Workstation
» Top 10 Subnotebooks
» Top 10 Ultrabooks
» Top 10 Convertibili
» Top 10 Tablets
» Top 10 Tablets Windows
» Top 10 Smartphones
Case
Il design dell'Y900 è, in sintesi, una versione più robusta ed aggressiva del precedente 17" Y700. La cover esterna è in alluminio spazzolato, gli angoli smussati e ci sono elementi in plastica lucida, una base di alluminio gommato, ed griglie per le casse frontali rosse, ma ci sono anche nuove features come i poggiapolsi con una tramatura antisporco. I nuovi punti di appoggio dei polsi incrementano l'attrito ma tengono basse le temperature rispetto a quelle dei concorrenti gaming, ma sono difficili da pulire.
La qualità di costruzione dei portatili della serie Y è costantemente migliorata e l'Y900 è il più robusto. La base resiste alle torsioni ed il centro della tastiera ha flessioni minime. La cover è robusta al centro anche grazie al design con cerniera singola, mentre la maggioranza dei portatili montano due cerniere. Il livello di torsione è minimo, ed ai livelli della serie MSI GT.
Un particolare è la realizzazione delle estremità e delle casse. Lo chassis utilizza vari materiali invece di un design unibody, quindi ci sono più rischi di gaps tra i vari elementi rispetto al precedente Y700. Per fortuna, il nostro Y900 non ha mostrato problemi a riguardo, e le griglie della ventilazione sono più spesse rispetto agli ultimiClevo barebones. A parte qualche scricchiolio, la costruzione è impeccabile.
In termini di dimensioni e peso, l'Y900 è imponente e di qualche grammo più pesante rispetto ai principali concorrenti da 17". L'Asus G752VS fa eccezione con il suo sistema di raffreddamento ingombrante mentre il GT72VR è nettamente più spesso con la sua migliore espandibilità. Nel complesso le dimensioni sono simili al Predator 17 è nettamente superiori rispetto ai sottili modelli Gigabyte ed Aorus.
Connettività
Non mancano le opzioni principali comprese porte multiple video-out ed USB Type-C. Forse l'aspetto principale è che il portatile utilizza la HDMI 2.0 invece della 1.4 e la USB Type-C con Thunderbolt 3 invece delle Gen. 1 o Gen. 2, quindi i patiti dei displays high-end e degli accessori apprezzeranno queste features. Tutte le porte sono collocate in modo da essere facilmente raggiungibili anche per i mancini. E' strano che il sistema offra due porte USB 2.0 in quanto la maggioranza dei portatili gaming di questa classe e prezzo ne offrono una nella migliore delle ipotesi puntando sulla USB 3.0.
Il pulsante Novo Recovery sulla destra riavvia il sistema con il BIOS e necessita di un oggetto appuntito o una graffetta per accedervi. Il BIOS è barebone senza features ausiliari o opzioni specifiche per i gamers.
SD Card Reader
I valori di trasferimento dal card reader sono in media sui 94 MB/s secondo AS SSD e immagini da 1 GB trasferite dalla nostra scheda Toshiba Exceria Pro SDXC 64 GB UHS-II richiedono 14 secondi. Siamo in linea con la maggioranza dei portatili gaming con la serie MSI GT che fa eccezione in quanto la velocità di trasferimento è oltre il doppio.
Ricordate che l'SD card reader dell'Y900 non è a molla e la scheda SD sporge un po', quindi fate attenzione a non urtarla altrimenti potreste danneggiarla.
| SD Card Reader | |
| average JPG Copy Test (av. of 3 runs) | |
| MSI GT72VR 6RE-015US | |
| Lenovo IdeaPad Y900 | |
| MSI GS73VR 6RF | |
| maximum AS SSD Seq Read Test (1GB) | |
| MSI GT72VR 6RE-015US | |
| Lenovo IdeaPad Y900 | |
| MSI GS73VR 6RF | |
Comunicazioni
La WLAN è gestita da un modulo Killer 1535 M.2 con un valore di trasferimento teorico fino a 867 Mbps. Un test realistico con Jperf mostra un valore di trasferimento di circa 518 Mbps ad un metro di distanza dal nostro router di test Linksys EA8500. I sistemi con Killer WLAN now ora montano uno speciale software Network Manager per priorizzare le applicazioni e con speciali features.
| Networking | |
| iperf Client (transmit) TCP 1 m 512KB | |
| MSI GT72VR 6RE-015US | |
| Lenovo IdeaPad Y900 | |
| iperf Server (receive) TCP 1 m 512KB | |
| Lenovo IdeaPad Y900 | |
| MSI GT72VR 6RE-015US | |
Accessori
Lenovo è generosa con gli extra. Avrete un cavo Micro-USB, un sottile masterizzatore esterno DVD (GP60NB60), copritasti WASD, ed un key puller oltre alla guida rapida ed alla garanzia. Manca un panno per la pulizia diversamente da quanto accade con la maggioranza di portatili high-end gaming di altri produttori.
Il produttore offre anche altri accessori come cuffie, mouse, borse e tastiere mecaniche.
Manutenzione
Come l'Y700, la manutenzione è complicata sull'Y900 a causa dei ganci sul lato inferiore e delle griglie sul lato posteriore. Occorre un cacciavite Philips e molta pazienza per rimuovere il pannello. L'accessibilità è difficile rispetto alla maggioranza dei modelli serie MSI G e Asus ROG.
Avrete accesso agli slots SODIMM, ai 3 drive bays, alla batteria, e al sistema di raffreddamento. Altri due slots SODIMM sono sotto la scheda madre e la GPU è saldata e non sostituibile.
Software
Il pacchetto software include il Training Manual, il Nerve Center, e Magic Y Key. Il Training Manual è un semplice manuale utente sulle features principali e le specifiche mentre il Nerve Center riguarda Turbo Boost e illuminazione tastiera. Il Magic Y Key personalizza i tasti con le macro e, a nostro parere, dovrebbe essere integrato nel Nerve Center per ridurre il numero di applicazioni software.
Da notare che diversamente dal Turbo Mode della serie MSI G, il Turbo Mode dell'Y900 non impatta direttamente sulla rumorosità della ventola. Ma consente a CPU e GPU di elevare i clock rates, con conseguente aumento della rotazione quando necessario. L'Y900 Turbo Mode dà piccoli benefici sulle prestazioni CPU e GPU secondo il test CineBench R15.
Garanzia
Dispositivi di Input
Tastiera
La tastiera chiclet meccanica è una caratteristica dell'Y900. Diversamente dalla tastiera Cherry Brown dell'MSI GT80, tuttavia, quella dell'Y900 non risponde a tutti gli standard Cherry. I tasti hanno un feedback molto leggero quando premuti e si sente un piccolo click diversamente dalla maggioranza dei portatili con tastiera standard. Pertanto, alcuni utenti potrebbero non gradire e suggeriamo di provarla prima di comprarla, se possibile. A nostro parere i tasti si muovono troppo e impattano su WPM e performance. In effetti alcuni tasti come Enter funzionano meglio, quindi la precisione è inferiore rispetto allo standard AccuType dei ThinkPads.
Però apprezziamo le dimensioni e la corsa dei tasti. Solo il feedback ed il click andrebbero migliorati.
Diversamente dai recenti portatili Aorus e Razer Blade Stealth, l'Y900 non offre milioni di opzioni di colori o la possibilità di illuminare i singoli tasti. Offre 18 colori predeterminati e circa 7 aree predefinite sulla tastiera. Pertanto non è una vera tastiera RGB con illuminazione singola. Tuttavia il numero di colori e le aree sono superiori rispetto a portatili come Predator 17, ROG series, o Alienware 17 series.
Infine, lo slider in alto a sinistra è usato per il Turbo Mode con un indicatore rosso quando è attivo. Un semplice pulsante avrebbe funzionato lo stesso, sebbene sarebbe stata una soluzione meno appariscente.
Touchpad
La superficie del touchpad (10.5 x 7.0 cm) è liscia e senza problemi di reattività sia per i movimenti del cursore che per le gestures multi-touch fino a quattro dita. Integra i tasti mouse che sono leggermente smorzati, e con un feedback soffice, ma comunque comodi da usare se manca un mouse esterno. Il principale problema con il touchpad è il leggero ribassamento rispetto ala superficie, che richiede un po' di abitudine.
Display
Il nostro modello monta uno schermo 1080p lo stesso LP173WF4-SPF1 del precedemte Y700 17ISK. Un rapido sguardo con un microscopio mostra un rivestimento semi lucido come il 17" Y700, quindi ci siamo convinti che è una transizione 1:1 dello schermo dell'Y700. Altre proprietà come luminosità massima e contrasto sono quasi identiche tra loro con circa 330 nits e 1000:1, rispettivamente. I tempi di risposta, tuttavia, sono superiori sull'Y900 ed alla pari con il display del nostro GT72VR 6RE.
Soggettivamente, la qualità delll'immagine è pulita senza sbavature. Si notano leggerissime mecchie in alto e in basso con le tinte unite.
| |||||||||||||||||||||||||
Distribuzione della luminosità: 86 %
Al centro con la batteria: 344.9 cd/m²
Contrasto: 988:1 (Nero: 0.349 cd/m²)
ΔE ColorChecker Calman: 4.49 | ∀{0.5-29.43 Ø4.78}
ΔE Greyscale Calman: 4.63 | ∀{0.09-98 Ø5}
86.4% sRGB (Argyll 1.6.3 3D)
56.7% AdobeRGB 1998 (Argyll 1.6.3 3D)
63.2% AdobeRGB 1998 (Argyll 3D)
86.3% sRGB (Argyll 3D)
67.4% Display P3 (Argyll 3D)
Gamma: 2.11
CCT: 6905 K
| Lenovo IdeaPad Y900 17.3", 1920x1080 | Lenovo Ideapad Y700 17ISK 80Q0 IPS, 17.3", 1920x1080 | MSI GT72VR 6RE-015US LG Philips LGD046E, IPS, 17.3", 1920x1080 | Acer Predator 17 G9-793-77LG AU Optronics B173ZAN01.0 (AUO109B), IPS, 17.3", 3840x2160 | EVGA SC17 IPS, 17.3", 3840x2160 | Asus G752VS-XB78K LG Philips LP173WF4-SPF3 (LGD04E8), IPS, 17.3", 1920x1080 | |
|---|---|---|---|---|---|---|
| Display | -1% | 0% | 34% | 34% | -1% | |
| Display P3 Coverage (%) | 67.4 | 67.4 0% | 68.3 1% | 86.9 29% | 87.6 30% | 66.9 -1% |
| sRGB Coverage (%) | 86.3 | 84.8 -2% | 86.7 0% | 100 16% | 100 16% | 85.2 -1% |
| AdobeRGB 1998 Coverage (%) | 63.2 | 62 -2% | 63.4 0% | 99.4 57% | 99 57% | 62.3 -1% |
| Response Times | -41% | 2% | 0% | -78% | 3% | |
| Response Time Grey 50% / Grey 80% * (ms) | 34.8 ? | 51.6 ? -48% | 34.4 ? 1% | 37 ? -6% | 69.6 ? -100% | 38 ? -9% |
| Response Time Black / White * (ms) | 25.6 ? | 34.4 ? -34% | 25.2 ? 2% | 24 ? 6% | 40 ? -56% | 22 ? 14% |
| PWM Frequency (Hz) | 1000 ? | |||||
| Screen | 7% | 8% | 18% | 4% | 7% | |
| Brightness middle (cd/m²) | 344.9 | 349.7 1% | 348.7 1% | 336 -3% | 394.1 14% | 328 -5% |
| Brightness (cd/m²) | 329 | 332 1% | 327 -1% | 320 -3% | 368 12% | 317 -4% |
| Brightness Distribution (%) | 86 | 90 5% | 89 3% | 88 2% | 83 -3% | 88 2% |
| Black Level * (cd/m²) | 0.349 | 0.304 13% | 0.323 7% | 0.25 28% | 0.439 -26% | 0.3 14% |
| Contrast (:1) | 988 | 1150 16% | 1080 9% | 1344 36% | 898 -9% | 1093 11% |
| Colorchecker dE 2000 * | 4.49 | 3.99 11% | 4.09 9% | 3.61 20% | 5.79 -29% | 3.74 17% |
| Colorchecker dE 2000 max. * | 8.72 | 8.74 -0% | 9.02 -3% | 6.02 31% | 8.44 3% | 8.97 -3% |
| Greyscale dE 2000 * | 4.63 | 3.34 28% | 2.14 54% | 4.78 -3% | 4.23 9% | 2.67 42% |
| Gamma | 2.11 104% | 2.23 99% | 2.25 98% | 2.32 95% | 2.11 104% | 2.41 91% |
| CCT | 6905 94% | 6111 106% | 6885 94% | 6185 105% | 7479 87% | 6861 95% |
| Color Space (Percent of AdobeRGB 1998) (%) | 56.7 | 55.8 -2% | 56.9 0% | 88 55% | 86.6 53% | 56 -1% |
| Color Space (Percent of sRGB) (%) | 86.4 | 84.8 -2% | 86.5 0% | 100 16% | 100 16% | 85 -2% |
| Media totale (Programma / Settaggio) | -12% /
-1% | 3% /
6% | 17% /
19% | -13% /
-1% | 3% /
5% |
* ... Meglio usare valori piccoli
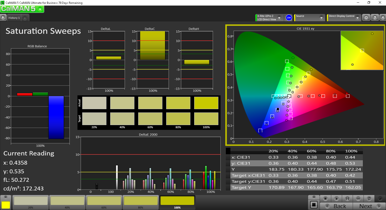
La gamma di colore è di circa il 57% e 86% rispettivamente dell'AdobeRGB e dell'sRGB . I portatili gaming concorrenti riescono ad offrire una copertura completa sRGB inclusi Predator 17 ed MSI GT per il piacere dei professionisti dell'arte digitale.
I colori e la scala di grigi sono nella media ed una rapida calibrazione migliora molto le cose. I colori restano imprecisi con una saturazione elevata a causa della imperfetta copertura sRGB del pannello.
Tempi di risposta del Display
| ↔ Tempi di risposta dal Nero al Bianco | ||
|---|---|---|
| 25.6 ms ... aumenta ↗ e diminuisce ↘ combinato | ↗ 4.8 ms Incremento | |
| ↘ 20.8 ms Calo | ||
| Lo schermo mostra tempi di risposta relativamente lenti nei nostri tests e potrebbe essere troppo lento per i gamers. In confronto, tutti i dispositivi di test variano da 0.1 (minimo) a 240 (massimo) ms. » 60 % di tutti i dispositivi è migliore. Questo significa che i tempi di risposta rilevati sono peggiori rispetto alla media di tutti i dispositivi testati (20.2 ms). | ||
| ↔ Tempo di risposta dal 50% Grigio all'80% Grigio | ||
| 34.8 ms ... aumenta ↗ e diminuisce ↘ combinato | ↗ 14 ms Incremento | |
| ↘ 20.8 ms Calo | ||
| Lo schermo mostra tempi di risposta lenti nei nostri tests e sarà insoddisfacente per i gamers. In confronto, tutti i dispositivi di test variano da 0.165 (minimo) a 636 (massimo) ms. » 47 % di tutti i dispositivi è migliore. Questo significa che i tempi di risposta rilevati sono peggiori rispetto alla media di tutti i dispositivi testati (31.6 ms). | ||
Sfarfallio dello schermo / PWM (Pulse-Width Modulation)
| flickering dello schermo / PWM non rilevato | |||
In confronto: 53 % di tutti i dispositivi testati non utilizza PWM per ridurre la luminosita' del display. Se è rilevato PWM, una media di 8121 (minimo: 5 - massimo: 343500) Hz è stata rilevata. | |||
La visibilità outdoor è media nella migliore delle ipotesi quando siete all'ombra. In una giornata limpida o con la luce diretta del sole i contenuti e i colori sbiadiscono e dovreste evitarlo se possibile. Lo schermi semi lucido non riduce i riflessi quanto un pannello matto e la cerniera consente un angolo di apertura massimo di circa 130 - 140 gradi. Tuttavia, gli angoli di visuale sono ampi quanto ci si aspetta da un Pannello IPS senza evidenti peggioramenti del colore o della scala di grigi.
Performance
Le configurazioni sono limitate in quanto la CPU i7-6820HK, GPU GTX 980M, e pannello 1080p G-Sync sembrano tutti essere senza alternativa, mentre solo RAM e dispositivi di archiviazione hanno delle opzioni. Mente ci aspetteremmo da Lenovo eventuali update alla serie Pascal, non ci aspettiamo di vedere opzioni Core i7-6700HQ o qualcosa di simile in quanto il Turbo Mode fa diretto utilizzo del moltiplicatore sbloccato della serie HK.
La HD Graphics 530 integrata è disabilitata in quanto non è disponibile Optimus.
Processore
Il Core i7-6820HK lo si trova spesso sui portatili high-end gaming e quindi le sue prestazioni sono ben documentate nel nostro database. Gli utenti no dovrebbero aspettarsi significativi miglioramenti delle prestazioni rispetto alle vecchie Broadwell i7-5700HQ o Haswell i7-4720HQ menrte con il passaggio alla desktop-class i7-6700k si avrà un vantaggio di circa il 20% nellle prestazioni multi-threaded.
Un particolare dell'Y900, tuttavia, è il suo Turbo Mode che consente alla CPU di girare fino a 3.8 GHz con tutti i suoi cores. Come mostrato dai nostri risultati CineBench R15 di seguito, questo spinge il punteggio single- e multi-thread rispettivamente a 164 e 751 punti. Non molto significativo, ma tuttavia percepibile. Se si spegne la modalità Turbo Mode, le performance CPU sono essenzialmente alla pari con i7-6700HQ o i7-5700HQ.
Guardate la nostra pagina dedicata a CPU sul Core i7-6820HK per maggiori informazioni tecniche e benchmark di confronto.
| Cinebench R10 | |
| Rendering Multiple CPUs 32Bit | |
| DogHouse Systems Mobius SS | |
| Lenovo IdeaPad Y900 | |
| MSI GP62-2QEi781FD | |
| Rendering Single 32Bit | |
| DogHouse Systems Mobius SS | |
| Lenovo IdeaPad Y900 | |
| MSI GP62-2QEi781FD | |
| wPrime 2.10 - 1024m | |
| Lenovo IdeaPad Y900 | |
| MSI GP62-2QEi781FD | |
| DogHouse Systems Mobius SS | |
| Super Pi Mod 1.5 XS 32M - 32M | |
| MSI GP62-2QEi781FD | |
| Lenovo IdeaPad Y900 | |
| DogHouse Systems Mobius SS | |
* ... Meglio usare valori piccoli
Prestazioni di Sistema
PCMark benchmarks valuta l'Y900 allo stesso livello dei concorrenti da 17" più recenti come l'MSI GT72VR e l'Acer Predator 17. Non abbiamo rilevato problemi software o hardware durante il periodo di test di questa unità.
| PCMark 8 | |
| Home Score Accelerated v2 | |
| Lenovo IdeaPad Y900 | |
| MSI GT72VR 6RE-015US | |
| Acer Predator 17 G9-793-77LG | |
| Lenovo Ideapad Y700 17ISK 80Q0 | |
| Work Score Accelerated v2 | |
| Lenovo IdeaPad Y900 | |
| MSI GT72VR 6RE-015US | |
| Lenovo Ideapad Y700 17ISK 80Q0 | |
| Creative Score Accelerated v2 | |
| MSI GT72VR 6RE-015US | |
| Lenovo IdeaPad Y900 | |
| Lenovo Ideapad Y700 17ISK 80Q0 | |
| Acer Predator 17 G9-793-77LG | |
| PCMark 8 Home Score Accelerated v2 | 4952 punti | |
| PCMark 8 Creative Score Accelerated v2 | 6609 punti | |
| PCMark 8 Work Score Accelerated v2 | 5533 punti | |
Aiuto | ||
Dispositivi di archiviazione
Gli utenti hanno accesso a 2x slots M.2 con possibilità RAID 0 ed un bay da 2.5" SATA III per uno spazio di archiviazione aggiuntivo. Il nostro modello di test monta un SSD da 256 GB NVMe Samsung M.2 ed un secondo HDD da 1 TB.
Le prestazioni dell'SSD principale sono buone per un SSD NVMe, ma non è il più veloce. L'SSD Samsung 950 del nostro EVGA SC17 supera facilmente l'SM951 del nostro Lenovo in tutti gli scenari testati secondo CrystalDiskMark. Tuttavia, i valori di trasferimento sono nettamente superiori rispetto ad altri portatili gaming limitatamente alle velocità SATA III. L'HDD secondario è in media sugli 86 MB/s secondo HD Tune mentre la maggioranza dei drives da 7200 RPM Hitachi e leggermente più veloce con 90 MB/s ed oltre.
Guardate la nostra tabella degli HDDs ed SSDs per altri benchmarks e confronti.
| Lenovo IdeaPad Y900 Samsung SM951 MZVPV256 m.2 | Lenovo Ideapad Y700 17ISK 80Q0 Samsung MZNLN128HCGR-000L2 | MSI GT72VR 6RE-015US SanDisk SD8SNAT256G1122 | EVGA SC17 Samsung SSD 950 Pro 512GB m.2 NVMe | Asus G752VS-XB78K Toshiba NVMe THNSN5512GPU7 | |
|---|---|---|---|---|---|
| CrystalDiskMark 3.0 | -55% | -58% | 21% | 23% | |
| Read Seq (MB/s) | 1559 | 513 -67% | 529 -66% | 2247 44% | 1718 10% |
| Write Seq (MB/s) | 1254 | 156.3 -88% | 338.5 -73% | 1534 22% | 1305 4% |
| Read 512 (MB/s) | 850 | 435.6 -49% | 288.9 -66% | 1113 31% | 1250 47% |
| Write 512 (MB/s) | 1228 | 156.5 -87% | 319.2 -74% | 1490 21% | 1438 17% |
| Read 4k (MB/s) | 49.32 | 36.89 -25% | 23.1 -53% | 52.1 6% | 44.42 -10% |
| Write 4k (MB/s) | 140.3 | 96.9 -31% | 99.4 -29% | 149.2 6% | 154.4 10% |
| Read 4k QD32 (MB/s) | 539 | 358.8 -33% | 147.5 -73% | 635 18% | 744 38% |
| Write 4k QD32 (MB/s) | 345.3 | 138.9 -60% | 236.9 -31% | 422 22% | 578 67% |
Prestazioni GPU
La GTX 980M dell'Y900 ha prestazioni esattamente come si aspettavamo, in base al nostro database. 3DMark mostra che è alla pari con la GTX 980M dell'Asus GL502VY invece per quanto riguarda GTX 1060 e GTX 980 resta dietro dal 10 al 30% in base al benchmark.
Notate che i risultati di seguito sono stati rilevati con il Turbo Mode attivo. Se si disattiva il Turbo Mode, i risultati 3DMark sono molto scarsi ed appena superiori rispetto alla GTX 960M. Ad esempio, lanciando Fire Strike Ultra con il Turbo Mode disabilitato si ottengono risultati Physics e Graphics rispettivamente di appena 9877 e 1251 punti. Raccomandiamo di attivare il Turbo Mode quando giocate per avere il massimo dall'Y900.
| 3DMark | |
| 1920x1080 Fire Strike Graphics | |
| Asus G701VO-CS74K | |
| MSI GT72VR 6RD-063US | |
| Lenovo IdeaPad Y900 | |
| Asus Strix GL502VY-DS71 | |
| Lenovo Ideapad Y700 17ISK 80Q0 | |
| 3840x2160 Fire Strike Ultra Graphics | |
| Asus G701VO-CS74K | |
| MSI GT72VR 6RD-063US | |
| Lenovo IdeaPad Y900 | |
| Asus Strix GL502VY-DS71 | |
| Lenovo Ideapad Y700 17ISK 80Q0 | |
| Fire Strike Extreme Graphics | |
| Asus G701VO-CS74K | |
| MSI GT72VR 6RD-063US | |
| Lenovo IdeaPad Y900 | |
| Asus Strix GL502VY-DS71 | |
| Lenovo Ideapad Y700 17ISK 80Q0 | |
| 3DMark 11 | |
| 1280x720 Performance GPU | |
| Asus G701VO-CS74K | |
| Lenovo IdeaPad Y900 | |
| MSI GT72VR 6RD-063US | |
| Asus Strix GL502VY-DS71 | |
| Lenovo Ideapad Y700 17ISK 80Q0 | |
| 1280x720 Performance Combined | |
| Lenovo IdeaPad Y900 | |
| Asus G701VO-CS74K | |
| Asus Strix GL502VY-DS71 | |
| MSI GT72VR 6RD-063US | |
| Lenovo Ideapad Y700 17ISK 80Q0 | |
| 3DMark 11 Performance | 12267 punti | |
| 3DMark Ice Storm Standard Score | 134877 punti | |
| 3DMark Cloud Gate Standard Score | 26493 punti | |
| 3DMark Fire Strike Score | 8653 punti | |
| 3DMark Fire Strike Extreme Score | 4478 punti | |
Aiuto | ||
Prestazioni Gaming
La maggioranza dei titoli sono giocabili a 1080p60 con settaggi elevati. I giochi con Ultra texture packs dovrebbero funzionare bene sull'Y900 in quanto la sua GPU utilizza 8 GB di VRAM GDDR5 invece di appena 4 GB come accade con altri portatili gaming che montano la stessa GTX 980M. La più recente GTX 1060 è leggermente più veloce nella maggioranza dei giochi senza necessariamente consumare più energia.
Guardate la nostra pagina dedicata alle GPU la GTX 980M per maggiori dettagli tecnici e per benchmark di confronto.
| Sleeping Dogs - 1920x1080 Extreme Preset AA:Extreme | |
| Asus G701VO-CS74K | |
| Lenovo IdeaPad Y900 | |
| Asus Strix GL502VY-DS71 | |
| Asus Strix GL502VT-DS74 | |
| Guild Wars 2 - 1920x1080 All Maximum / On AA:FX | |
| Lenovo IdeaPad Y900 | |
| MSI GT72VR 6RD-063US | |
| BioShock Infinite - 1920x1080 Ultra Preset, DX11 (DDOF) | |
| Asus G701VO-CS74K | |
| MSI GT72VR 6RD-063US | |
| Lenovo IdeaPad Y900 | |
| Asus Strix GL502VY-DS71 | |
| Asus Strix GL502VT-DS74 | |
| Metro: Last Light - 1920x1080 Very High (DX11) AF:16x | |
| Asus G701VO-CS74K | |
| MSI GT72VR 6RD-063US | |
| Lenovo IdeaPad Y900 | |
| Asus Strix GL502VT-DS74 | |
| Thief - 1920x1080 Very High Preset AA:FXAA & High SS AF:8x | |
| MSI GT72VR 6RD-063US | |
| Asus G701VO-CS74K | |
| Lenovo IdeaPad Y900 | |
| Asus Strix GL502VY-DS71 | |
| Asus Strix GL502VT-DS74 | |
| Batman: Arkham Knight - 1920x1080 High / On AA:SM AF:16x | |
| Asus G701VO-CS74K | |
| MSI GT72VR 6RD-063US | |
| Lenovo IdeaPad Y900 | |
| Asus Strix GL502VT-DS74 | |
| Metal Gear Solid V - 1920x1080 Extra High / On | |
| Lenovo IdeaPad Y900 | |
| Asus Strix GL502VT-DS74 | |
| Asus Strix GL502VY-DS71 | |
| Asus G701VO-CS74K | |
| MSI GT72VR 6RD-063US | |
| Fallout 4 - 1920x1080 Ultra Preset AA:T AF:16x | |
| Asus G701VO-CS74K | |
| MSI GT72VR 6RD-063US | |
| Asus Strix GL502VY-DS71 | |
| Lenovo IdeaPad Y900 | |
| Asus Strix GL502VT-DS74 | |
| Rise of the Tomb Raider - 1920x1080 Very High Preset AA:FX AF:16x | |
| MSI GT72VR 6RD-063US | |
| Asus G701VO-CS74K | |
| Asus Strix GL502VY-DS71 | |
| Lenovo IdeaPad Y900 | |
| Asus Strix GL502VT-DS74 | |
| Doom - 1920x1080 Ultra Preset AA:SM | |
| MSI GT72VR 6RD-063US | |
| Asus G701VO-CS74K | |
| Lenovo IdeaPad Y900 | |
| Asus Strix GL502VY-DS71 | |
| Overwatch - 1920x1080 Epic (Render Scale 100 %) AA:SM AF:16x | |
| Asus G701VO-CS74K | |
| MSI GT72VR 6RD-063US | |
| Asus Strix GL502VY-DS71 | |
| Lenovo IdeaPad Y900 | |
| basso | medio | alto | ultra | |
|---|---|---|---|---|
| Sleeping Dogs (2012) | 58.1 | |||
| Guild Wars 2 (2012) | 58.2 | |||
| BioShock Infinite (2013) | 90.2 | |||
| Metro: Last Light (2013) | 66.8 | |||
| Thief (2014) | 62.1 | |||
| Batman: Arkham Knight (2015) | 51 | |||
| Metal Gear Solid V (2015) | 60 | |||
| Fallout 4 (2015) | 57.4 | |||
| Rise of the Tomb Raider (2016) | 50.6 | |||
| Doom (2016) | 82.3 | |||
| Overwatch (2016) | 85.7 |
Stress Test
L'Y900 ha buone prestazioni se messo sotto stress massimo con Prime95 e FurMark. Il sistema non limita mai la CPU e mantiene sempre un livello di Turbo Boost, ma la temperatura core CPU si stabilizza a ben 84° C o addirittura a 96° C quando si attiva il Turbo Mode con carico di lavoro massimo. Non è in grado di mantenere otre i 3.2 GHz se stressata con Prime95, il che è deludente se confrontato con il più ingombrante MSI GT73VR con la stessa CPU. Ricordatevi che il Turbo Mode aumenterà le temperature core in quanto non porta automaticamente al massimo la velocità delle ventole diversamente dalle serie MSI GT72/GE72.
Invece, le temperature GPU restano relativamente basse con 80° C nel peggiore scenario in Turbo Mode e tra 65° e 70° C durante il gaming. Questo suggerisce che lo chassis dovrebbe essere in grado di gestire le GPUs Pascal con TDPs superiori come la GTX 1070 che Lenovo potrebbe scegliere per l'update del modello in futuro.
Utilizzando la sola batteria si verifica throttling di CPU e GPU. Un lancio di 3DMark 11 con la batteria mostra dei punteggi Physics e Graphics rispettivamente di 9148 e 6236 punti, rispetto ai 10418 e 13168 punti ottenuti con il collegamento alla rete elettrica.
La Turbo Mode può essere attivata solo quando il sistema è collegato alla rete elettrica.
| CPU Clock (GHz) | GPU Clock (MHz) | Average CPU Temperature (°C) | Average GPU Temperature (°C) | |
| Prime95 Stress | 3.0 - 3.1 | -- | 64 | 41 |
| FurMark Stress | -- | 696 - 709 | 70 | 63 |
| Prime95 + FurMark Stress | 3.2 | 696 - 709 | 84 | 68 |
| Unigine Valley Stress | 3.2+ | 1088 | 66 | 63 |
| Prime95 + FurMark Stress (Turbo Mode) | 3.0 - 3.2 | 911 | 96 | 80 |
| Unigine Valley Stress (Turbo Mode) | 3.8+ | 1126 | 68 | 66 |
Emissioni
Rumorosità di sistema
Un rapido sguardo alla scheda madre ed al sistema di raffreddamento mostrano che l'Y900 è stato completamente rivisitato rispetto al suo predecessore Y700. Il posizionamento delle ventole e il dissipatore ora sono più simili a quelle dei portatili Aorus e della sottile serie MSI GS.
Sfortunatamente, la ventola è inaccettabile sull'Y900. Mentre è molto silenziosa con carichi di lavoro bassi con circa 30- 32 dB(A), spesso ed inspiegabilmente pulsa fino ad arrivare a ben 48 dB(A) prima di ritornare rapidamente sotti i 30 dB(A). Abbiamo provato tutte le modalità energetiche dalla Power Saver fino alla High Performance, ma i risultati sono rimasti gli stessi. E' una cosa estremamente irritante e che speriamo Lenovo possa risolvere con un futuro update.
A peggiorare la situazione non ci sono controlli per le ventole da personalizzare. La maggioranza dei portatili high-end gaming della concorrenza include almeno un controllo base delle ventole, quindi si tratta di una grave mancanza da parte di Lenovo.
Oltre all'evidente problema dei picchi delle ventole, per il resto la rumorosità è negli standard per un gaming notebook. Le ventole sono quasi sempre attive e si attestano tra i 42 e i 44 dB(A) con carichi di lavoro gaming mostrandosi appena più rumorose rispetto all'MSI GT72VR ed all'Asus G752VS. La rumorosità massima delel ventole è indipendente dal Turbo Mode e supera di poco i 48 dB(A).
Rumorosità
| Idle |
| 29.4 / 32.4 / 48 dB(A) |
| Sotto carico |
| 42.5 / 48.5 dB(A) |
![]() | ||
30 dB silenzioso 40 dB(A) udibile 50 dB(A) rumoroso |
||
min: | ||
| Lenovo IdeaPad Y900 GeForce GTX 980M, 6820HK, Samsung SM951 MZVPV256 m.2 | Lenovo Ideapad Y700 17ISK 80Q0 GeForce GTX 960M, 6700HQ, Samsung MZNLN128HCGR-000L2 | MSI GT72VR 6RE-015US GeForce GTX 1070 Mobile, 6700HQ, SanDisk SD8SNAT256G1122 | Asus G752VS-XB78K GeForce GTX 1070 Mobile, 6820HK, Toshiba NVMe THNSN5512GPU7 | Acer Predator 17 G9-793-77LG GeForce GTX 1070 Mobile, 6700HQ, Toshiba NVMe THNSN5256GPU7 | |
|---|---|---|---|---|---|
| Noise | 10% | 4% | 5% | -3% | |
| off /ambiente * (dB) | 28.8 | 28.9 -0% | 30 -4% | 31 -8% | |
| Idle Minimum * (dB) | 29.4 | 28 5% | 32.4 -10% | 31 -5% | 33 -12% |
| Idle Average * (dB) | 32.4 | 28.1 13% | 32.4 -0% | 32 1% | 34 -5% |
| Idle Maximum * (dB) | 48 | 31.5 34% | 32.4 32% | 33 31% | 40 17% |
| Load Average * (dB) | 42.5 | 40.6 4% | 39.4 7% | 40 6% | 44 -4% |
| Load Maximum * (dB) | 48.5 | 51 -5% | 52 -7% | 47 3% | 50 -3% |
* ... Meglio usare valori piccoli
Temperature
Le temperature di superficie sono basse per un portatile gaming in tutte le condizioni. La soluzione di raffreddamento fa un lavoro eccellente e nel mantenere basse le aree posteriori del portatile e dei punti di appoggio dei polsi indipendentemente dal carico di lavoro. Nel peggiore dei casi, abbiamo registrato una concentrazione di calore di quasi 50° C sul lato superiore con carico di lavoro estremo. La temperatura è sicuramente bassa rispetto all'Alienware 17 o all'EVGA SC17, ed il portatile resta molto fresco.
(-) La temperatura massima sul lato superiore è di 49 °C / 120 F, rispetto alla media di 40.4 °C / 105 F, che varia da 21.2 a 68.8 °C per questa classe Gaming.
(+) Il lato inferiore si riscalda fino ad un massimo di 39.2 °C / 103 F, rispetto alla media di 43.3 °C / 110 F
(+) In idle, la temperatura media del lato superiore è di 28 °C / 82 F, rispetto alla media deld ispositivo di 33.9 °C / 93 F.
(+) I poggiapolsi e il touchpad sono piu' freddi della temperatura della pelle con un massimo di 28.8 °C / 83.8 F e sono quindi freddi al tatto.
(±) La temperatura media della zona del palmo della mano di dispositivi simili e'stata di 28.9 °C / 84 F (+0.1 °C / 0.2 F).
Casse
Le casse JBL integrate sono tra le più potenti che abbiamo visto su un portatile con ben 87 dB secondo i rilievi del nostro microfono. Sfortunatamente, il bilanciamento non è ottimale con toni medi troppo forti come mostra il nostro grafico di seguito. Un ulteriore grafico dimostra una curva più piatta attraverso una gamma di frequenza più ampia invece di una parabola capovolta. Notiamo anche che non ci sono riverberi dalle casse.
Sono disponibili due opzioni da 3.5 mm audio-out invece di quattro come la maggioranza di portatili MSI G series e Clevo barebones.


Lenovo IdeaPad Y900 analisi audio
(+) | gli altoparlanti sono relativamente potenti (87.1 dB)
Bassi 100 - 315 Hz
(-) | quasi nessun basso - in media 87.1% inferiori alla media
(+) | bassi in lineaa (0% delta rispetto alla precedente frequenza)
Medi 400 - 2000 Hz
(-) | quasi nessun tono medio - circa 87.1% inferiore alla media
(+) | medi lineari (0% delta rispetto alla precedente frequenza)
Alti 2 - 16 kHz
(-) | alti quasi assenti - circa 87.1% inferiori alla media
(+) | alti lineari (0% delta rispetto alla precedente frequenza)
Nel complesso 100 - 16.000 Hz
(-) | suono nel complesso non lineare (132% di differenza rispetto alla media
Rispetto alla stessa classe
» 100% di tutti i dispositivi testati in questa classe è stato migliore, 0% simile, 0% peggiore
» Il migliore ha avuto un delta di 6%, medio di 18%, peggiore di 132%
Rispetto a tutti i dispositivi testati
» 100% di tutti i dispositivi testati in questa classe è stato migliore, 0% similare, 0% peggiore
» Il migliore ha avuto un delta di 4%, medio di 24%, peggiore di 134%
Apple MacBook 12 (Early 2016) 1.1 GHz analisi audio
(+) | gli altoparlanti sono relativamente potenti (83.6 dB)
Bassi 100 - 315 Hz
(±) | bassi ridotti - in media 11.3% inferiori alla media
(±) | la linearità dei bassi è media (14.2% delta rispetto alla precedente frequenza)
Medi 400 - 2000 Hz
(+) | medi bilanciati - solo only 2.4% rispetto alla media
(+) | medi lineari (5.5% delta rispetto alla precedente frequenza)
Alti 2 - 16 kHz
(+) | Alti bilanciati - appena 2% dalla media
(+) | alti lineari (4.5% delta rispetto alla precedente frequenza)
Nel complesso 100 - 16.000 Hz
(+) | suono nel complesso lineare (10.2% differenza dalla media)
Rispetto alla stessa classe
» 7% di tutti i dispositivi testati in questa classe è stato migliore, 2% simile, 91% peggiore
» Il migliore ha avuto un delta di 5%, medio di 18%, peggiore di 53%
Rispetto a tutti i dispositivi testati
» 4% di tutti i dispositivi testati in questa classe è stato migliore, 1% similare, 94% peggiore
» Il migliore ha avuto un delta di 4%, medio di 24%, peggiore di 134%
Frequency Comparison (Checkbox selectable!)
Graph 1: Pink Noise 100% Vol.; Graph 2: Audio off
Gestione energetica
Power Consumption
Il carico Gaming impegna circa 110 W in idle, con dettagli settati al minimo siamo tra 24 W e 30 W. Il gaming con l'Asus GL502VY o l'MSI GS73VR rispettivamente richiede 130 W e 115 W. Le massime performance con Prime95 e FurMark richiedono 171 W con una adattatore (~20 x 10 x 2.5 cm) da 230 W.
| Off / Standby | |
| Idle | |
| Sotto carico |
|
Leggenda:
min: | |
| Lenovo IdeaPad Y900 6820HK, GeForce GTX 980M, Samsung SM951 MZVPV256 m.2, , 1920x1080, 17.3" | Asus Strix GL502VY-DS71 6700HQ, GeForce GTX 980M, SanDisk SD8SN8U1T001122, IPS, 1920x1080, 15.6" | Acer Predator 17 G9-793-77LG 6700HQ, GeForce GTX 1070 Mobile, Toshiba NVMe THNSN5256GPU7, IPS, 3840x2160, 17.3" | MSI GS73VR 6RF 6700HQ, GeForce GTX 1060 Mobile, SanDisk SD8SN8U1T001122, TN LED, 1920x1080, 17.3" | HP Pavilion 17 FHD V3A33AV 6700HQ, GeForce GTX 960M, SanDisk Z400s SD8SNAT-128G, IPS, 1920x1080, 17.3" | |
|---|---|---|---|---|---|
| Power Consumption | 9% | -20% | -3% | 54% | |
| Idle Minimum * (Watt) | 24.3 | 20.6 15% | 25 -3% | 22.6 7% | 5.3 78% |
| Idle Average * (Watt) | 29.6 | 22.1 25% | 35 -18% | 32.7 -10% | 10.6 64% |
| Idle Maximum * (Watt) | 29.9 | 22.5 25% | 46 -54% | 32.8 -10% | 11.8 61% |
| Load Average * (Watt) | 110.1 | 130.6 -19% | 103 6% | 114.7 -4% | 70.9 36% |
| Load Maximum * (Watt) | 171.4 | 177.2 -3% | 223 -30% | 167.9 2% | 119.8 30% |
* ... Meglio usare valori piccoli
Autonomia della Batteria
L'autonomia della batteria da 90 Wh non removibile è media con appena meno di sei ore nelle condizioni migliori (Power Saver, luminosità del display minima, desktop in idle) e di poco più di un'ora in una scenario WLAN realistico (150 nit di luminosità, profilo bilanciato, script per il browser in loop). L'autonomia della batteria con carico di lavoro pesante è superiore alle attese a causa del fatto che il sistema limita CPU e GPU quando non collegato alla presa elettrica.
La ricarica completa richiede circa 2,5.
| Lenovo IdeaPad Y900 6820HK, GeForce GTX 980M, 90 Wh | Lenovo Ideapad Y700 17ISK 80Q0 6700HQ, GeForce GTX 960M, 60 Wh | Asus Strix GL502VY-DS71 6700HQ, GeForce GTX 980M, 64 Wh | Asus G752VS-XB78K 6820HK, GeForce GTX 1070 Mobile, 90 Wh | MSI GT72VR 6RD-063US 6700HQ, GeForce GTX 1060 Mobile, 83 Wh | |
|---|---|---|---|---|---|
| Autonomia della batteria | 33% | -29% | -21% | -16% | |
| Reader / Idle (h) | 5.8 | 11.5 98% | 4.6 -21% | 5.2 -10% | 5.4 -7% |
| WiFi v1.3 (h) | 4.1 | 5.6 37% | 3.1 -24% | 3.5 -15% | 3.7 -10% |
| Load (h) | 2.3 | 1.5 -35% | 1.3 -43% | 1.4 -39% | 1.6 -30% |
Pro
Contro
Giudizio Complessivo
Lenovo punta in alto con il suo nuovo Y900 ed il prezzo di $2000+ lo dimostra. Mentre design e fattura sono buoni, i tasti meccanici e la modalità Turbo lasciano a desiderare. I tasti sono morbidi e non omogenei e qualche utente potrebbe non apprezzare questo feedback. Tuttavia il Turbo Mode offre dei benefici per il gaming e raccomandiamo di tenerlo sempre attivo quando giocate in quanto non ci sono svantaggi rispetto a quando lo disattivate.
Altre pecche comprendono la ventola rumorosa e la mancanza di possibilità di controllarla. Questo forse potrebbe essere risolto in futuro, ma gli utenti dovrebbero evitare di usare il portatile in ambienti silenziosi anche con settaggio di risparmio energetico. La rumorosità della ventola durante il gaming è leggermente superiore rispetto ad altri portatili da 17" ad eccezione dei più sottili MSI GS73VR o Gigabyte.
In fondo l'Y900 offre prestazioni superiori con temperature relativamente basse senza throttling CPU o GPU. Tuttavia, troviamo difficoltà a trovare un vero valore aggiunto nel sistema e raccomandarlo rispetto al più economico GT72VR con la migliore possibilità di manutenzione e la GPU MXM 3.0b che si può sostituire.
L'ultima ammiraglia gaming Lenovo è un grande passo in avanti in termini di qualità e design, ma ha la zavorra delle ventole pulsanti, l'assenza di altre opzioni per il display, i tasti meccanici morbidi, e il basso rapporto tra valore e prezzo specialmente ora che ci sono concorrenti che montano la più efficiente GPU GTX 1060.
Lenovo IdeaPad Y900
- 10/10/2016 v5.1 (old)
Allen Ngo









































































































